Základná jednotka DDS

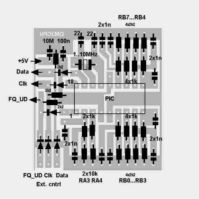
Riadiaca jednotka s PICom

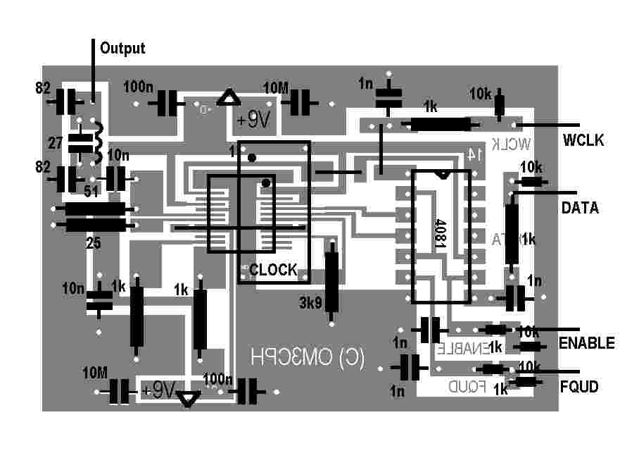
Kompletná jednotka generátora