Príspevok EA - QRP Klubu

Jose M. Pegado pripravil článok pre EA - QRP Club Information Bulletin č. 40. Požiadal som ho, aby mi poslal obrázky plošných spojov pre digitálnu stupnicu-čítač a displej. Sú perfektné!

Doska s plošnými spojmi 74x35 mm:

PCB

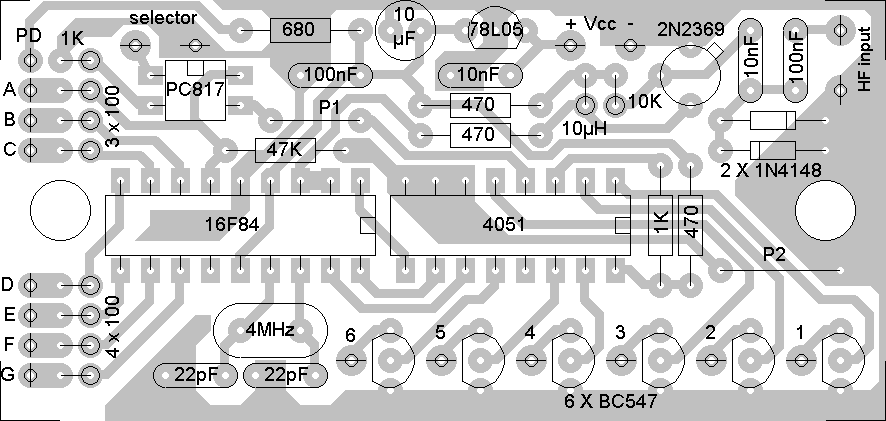
Rozmiestnenie súčiastok:

Components

Doska dispeja:

Display PCB

Rozmiestnenie súčiastok:

Display components